Sau hơn một tháng tìm tòi học hỏi mình có một số kinh nghiệm chia sẽ với các bạn, hị vọng sẽ giúp được một ai đó, mình là một người không chuyên lắm về điện tử nên các pro có gì cứ đóng góp thêm cho hoàn thiện
Nói nhảm
Để có một cái ampli thì cần phải có gì ? bạn phải có 3 bộ phận chính: nguồn và boad mạch, tức nhiên để nó hát cũng cần có cái loa
Đầu tiên bạn phải xác định bạn làm âmpli loại nào( dung chip amp hay transistor ) , công suất bao nhiêu, và bạn đã có những gì
Giả sữ bạn đã có cái loa và muốn lắp một cái ampli cho em nó. Thay vì phải mua cái ampli to đùng, mà bạn chỉ có cái loa mini?
Hay bạn đã có một cái nguồn, hay có hứng ráp một cái ampli chơi cho biết,……
Tóm lại bạn phải xác định cái ampli cần ráp có công xuất trong khoảng nào, 10w, 20w. hay 50w từ đó bạn có thể chọn các bản mạch có sẳn trên mạng để mà ráp.
Việc tìm ra các mạch ampli chia sẽ trên các diễn đàn thì nhiều, nhưng bạn lại không biết tí gì, không cần phải lo. Mình sẽ chỉ bạn phần dưới
Giới thiệu sơ lược
Để có thể lắp được cái ampli quan trong nhất là bạn phải hiểu được cái nguyên lý cơ bản
Đầu tiên là công suất: P = U.I = RI2 / U hiệu điện thế / I cường độ
Ví dụ bạn mua một nguồn 220v ra 12v, 5A thì công suất nguồn là 12x5 = 60w
Công suất nguồn phải hài hòa với boad mạch thì mới tốt, thường thì lớn hơn công suất boad mạch và công suất loa
Giả sữ bạn có cặp loa mini công suất 30w mổi loa, bạn sẽ phải dùng loại nguồn và lắp boad mạch nào để chơi tốt cặp loa trên/ loa 2 cái => nguồn cần có hơn 60w, dùng nguồn ít hơn cũng được nhưng khi mở lớn sẽ….( xin lổi em chịu hông nổi) , còn dùng boad mạch thì cứ chọn loại chip amp hay tran có công suất lơn hơn mà ráp . nếu dùng loại công suất nhỏ hơn thì khi mở lớn….(xin lổi em chịu hông nổi)
Thứ hai là có kiến về chíp amp hay transistor : thông thường thì ráp ampli chip amp thì dể dàng hơn rất nhiều so với ráp ampli dùng tran/
Chip amp là con chip có rất nhiều chân từ 8 chân trở lên, các con chip amp hầu như nó nhận nhiệm vụ sữ lý và tăng công suất hết rồi. mình chỉ cần tìm sơ đồ ( datasheet ) của loại chip cần dùng, rồi thêm vài mấy con điện trở, tụ điện và tìm cái nguốn cho tốt là ok. Yếu điển cũng như ưu điểm là công suất cho ra còn nhỏ, các chip amp có công suất từ 0w cho tới 60w, gần đây có một số có thể cho lên tới 150w nhưng chất âm nghe rất tệ, chỉ được cái công suất lớn. nếu bạn làm cái ampli mini và khoảng chừng 10 – 20w thì nên làm ampli loại chip amp này, bạn chỉ cần cố gắng tìm mấy con chip amp cho chất âm tốt thôi. Đa số các loa vi tính hay dùng các chip amp này.
Các bạn cần biết đọc datasheet của con chip amp bạn chọn làm ampli, tức nhiên mình sẽ chỉ cách chọn chip và đọc hiểu datasheet của nó
Còn ampli dùng transistor thì lắp khó hơn một tí, nhưng lại nghe hay hơn một số loại dùng chip amp rất nhiều, nhưng đổi lại bạn cần có một số kiến thức cơ bản về transistor
Các ampli lớn hiện hay đa số dùng transistor vì nó cho công suất lơn, chất lượng thì tùy vào chip và cấu tạo boad mạch ( class a, ab, b, d,….)
Mình sẽ nói rỏ hơn trong các phần dưới đây
Nguồn
Nguồn là phần quan trong nhất của ampli nó là thức ăn duy trì cho cái ampli hoat động.
Đa số hiện nay nguồn cho ampli dao động trong khoảng 1V đến 90V hay dùng trong các ampli là 35V, vì thế người ta cần có cục chuyển đổi điện 220v xuống nguồn thấp hơn để dùng được.
Việc đầu tiên là bạn phải xác định cần nguồn như thế nào, để xác định được điều này thì phải biết mình chọn loại chip amp nào và xem thử nó dùng nguồn đơn hay nguồn đôi ( nguồn đối xứng) , và dùng nguồn điện bao nhiêu, cặp loa mà bạn định sữ dụng có công suất nhiêu ?, hay bạn muốn cái ampli mình có công suất bao nhiêu mổi kênh, và cái ampli mình có mấy kênh( thông thường thì 2 kênh , phải và trái)
Ví dụ bạn muốn cái ampli mình có 2 kênh bên phải và trái, mỗi kênh 50w. vậy ampli của bạn sẽ là 100w, => nguồn cần là 100w
Con chip amp hay boad mạch ampli bạn cần nguồn 25V => bạn cần phải có nguồn cở 100w/25V = 4A trở lên .
Trong vấn đề chọn nguồn không phụ thuộc vào các yếu tố trên (chip amp hay boad ampli )
Thì bạn nên chọn nguồn cho ra điện cao khoảng 35V để có thể tăng được công suất, chọn hiệu điện thế cao quá coi chừng đụng vào bị tê tê nha, cần nối mass ( nối đất ) để không bị giựt
Nguồn thì có nhiều loại, nào là nguồn xung, nguồn xuyến , nguồn vuông,…..
Nguồn xung là nguồn mà ta có thể có điện thế đầu vào dao động mà nguồn ra vẩn ổn định: một số nguồn đầu vào có thể dao động trong khoảng 90v đến 240v mà đầu ra vẩn duy trì 25V hoặc ……
Ví dụ nguồn laptop, các adapter là các nguồn xung.
Ưu điểm là nó làm cho nguồn vào ampli được ổn định, quá trình tăng công suất của ampli sẽ được ổn định => nghe hay hơn. Các dàn cao cấp hay dùng
Nhược điểm của nguồn xung là phát ra song gây nhiểu rất lớn, nếu không cách ngăn thì sẽ làm cho ampli nghe tệ hơn, đa số các nguồn xung được bao bọc bởi lớp nhôm có gắn mass vừa làm tản nhiệt vừa hấp thụ sóng nhiểu. khi mở các adapter laptop ra sẽ thấy nó được bao bọc bởi một miếng nhôm kín.
Nhược điển lớn hơn là chi phí cao, cở 300k cho cái adapter laptop để lấy được cái nguồn xịn 19.5V 4.75A, lở nó dùng nguồn đôi là phải mua 2 cái ( tiền đâu, hic), ra chợ nhật tảo thì chắc 100k một cái adapter.
Nguồn xuyến thì có hình dáng vòng tròn, về bản chất thì cũng giống nguồn vuông, trong ampli chất lượng tốt bây giờ đa số dùng nguồn xuyến vì chắc nó cho ra cường độ lớn hơn nguồn vuông, nhìn cũng đẹp hơn nữa
Nguồn vuông: được sữ dụng rộng rải, chắc ai cũng biết, nói nhiều chi
Nhược điển của nguồn xuyến hay xung là nguồn điện phải ổn định, nên có ổn áp điện. một số ampli dùng rất nhiều tụ điện để làm cho nguồn điện ổn định. Tạo thành một mạch kín tốt hơn
Nguồn xung, nguồn xuyến, nguồn vuông,….., Tất cả các loại nguồn thì lại chia ra nguồn đơn hay nguồn đôi, ra một nguồn hay nhiều nguồn
Cái nguồn PC vi tính chắc ai cũng biết, nó là nguồn xung, nguồn đôi, nguồn đơn, nhiều nguồn,…
Đa số bây giờ là sữ dụng nguồn đối xứng ( vd +12 0 -12 ) để cho ra nguồn ổn định hơn, làm việc tốt hơn
Một số ampli cho ra nhiều nguồn, nguồn chính khoảng 35V để cấp chính cho boad công suất, nguồn phụ khoảng 12v, 5v,… để cung cấp cho mạch pre, đèn,……
Bí quyết cho bạn: bạn nên chọn nguồn đối xứng để cho chất lượng nguồn tốt hơn, dù boad mạch chỉ cần nguồn đơn , bạn kiếm 2 con diot , nối 2 đầu có sọc lại với nhau cho ra nguồn +, mổi đầu nối với 2 đầu ra bên ngoài , còn đầu giữ là dây mass => bạn đã có nguồn đơn
Để ổn định điện áp ra nên dùng IC ổn áp, ưu điểm là ổn định được điện thế, nhưng có nhược điểm dòng cho ra chỉ khoảng 1-2A
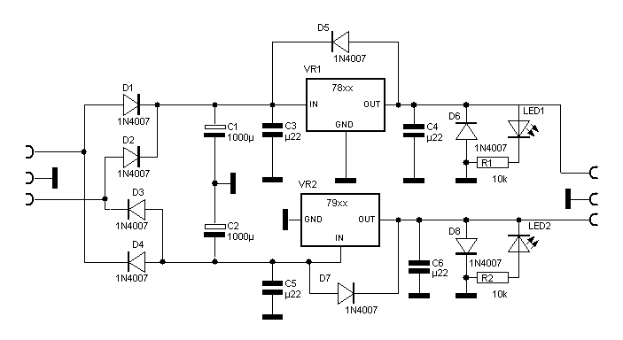
Bạn có thể dùng 2 con IC ổn áp LM78xx để ổn áp dương và LM79xx để ổn áp âm (xx là giá trị điện áp ngõ ra mình cần). hoặc cái loại chip tương đương.
Chân số 1 của IC LM78xx là ngõ IN (mình đưa áp cần ổn áp vào), chân số 2 là GND, chân số 3 là out (áp sau khi ổn áp).
Phải chú ý rằng là IC này có chức năng là điện vào có thể dao động nhưng điện ra vẫn duy trì, bạn nên sữ dụng dòng điện lớn hơn một tí, dùng 15V để ổn áp 12V,( dùng 20V cho ổn áp 15V) nếu từ đầu đã có ý định lắp IC ổn định này, thì bạn nên mua nguồn lớn hơn một tý
Bạn nối dây như sơ đồ sau:
ở đây +Vs = 20V và -Vs = -20V, ổn áp ra là +/-15V
Sơ đồ cuối cùng của mạch nguồn đối xứng:
BOAD MẠCH
Trong một cái ampli có rất nhiều thành phần, boad mạch có nhiều loại , mạch pre ( làm cho chất lượng am thanh vào tốt hơn), mạch đèn, mạch volum, mạch điều khiển …., nhưng quan trọng là mạch khếch đại công suất.
Bạn cần biết phân loại các lớp nhạc cơ bản, bản chất là đều là khếch đại âm thanh, nhưng lại chia ra nhiều loại , sau đây là một số cơ bản
Class A: muốn hay thì nên ráp, hiệu suất chỉ khoảng 10-25% tiêu thụ điện nhưng khếch đại âm thanh như nguyên gốc bản nhạc. nếu bạn cung cấp công suất nguồn và 100w, thì công suất ra loa chỉ 10-25w, nên chú ý kỹ phần nguồn vì chỉ cần nguồn không ổn định có thể làm bản nhạc tệ hơn. Hiện nay có nhiều mạch class a được chia sẽ ở các diển đàn, đây là các mạch rút gọn và chế biến của các cao thủ trong nghề, mình chỉ việc nghiên cứu và lắp nó nghe cho biết, còn ampli class a thật sự mang danh hi-end thì ……các hảng sản xuất mới cho ra lò được thôi. Chú ý ( tốn điện lắm đó nha, nóng kinh khủng nữa). nên đa số có công suất thấp.
Class AB : thua class A một tí về khếch đại bản gốc âm thanh, nó bị méo mó hơn một tí nhưng cũng hay phết, công suất chỉ 35-50% , hiện đa số ampli dùng, có một số thì được chế tạo nếu mở nhỏ hay dùng công suất thấp thì là class a, còn khi qua giới hạn nào đó khoảng 30% công suất thì là class AB
Class B : tệ hơn nữa, nhưng hiệu quả điện năng tốt hơn
Class D: dùng cho công suất lớn, 80-90% điện năng tiêu thụ. Ampli công suất lớn hay dùng
Class T, H……tự lên google tìm dùm
Mình sẽ giới thiệu các bạn lắp một cái mạch khếch công suất theo chip amp và một cái theo transistor cho biết
Qua hướng dẩn thì điều quan trọng các bạn phải biết là hiểu bản mạch và biết các ký hiệu
Ampli chip amp
Đầu tiên là chọn chip cho hay, cho phù hợp túi tiền của mình, các bạn có thể dùng google để hỏi, hoặc tham khảo các diển đàn lớn về chọn các loại chip amp hay, đa cố chip amp đều hoạt động ở class B, một số xịn thì class AB,
Đây là địa chỉ cung cấp thông số cơ bản về công suất và nguồn điện yêu cầu của đa số chip amp.
Integrated circuits for Audio Power Amplifiers, schematic diagram, datasheets
chọn loại chịp amp phù hợp rồi lick chuột vào bạn sẽ thấy datasheet của nó
nhưng khi chọn xong nhớ dùng google tìm thử xem một số diển đàn có nói về con chip này không, chất lượng và nghe có tốt, và đặc biệt nó có bán tại nơi bạn có thể mua. Hay bạn có thể lên một số diễn đàn để hỏi nên dùng chip nào cho phù hợp.
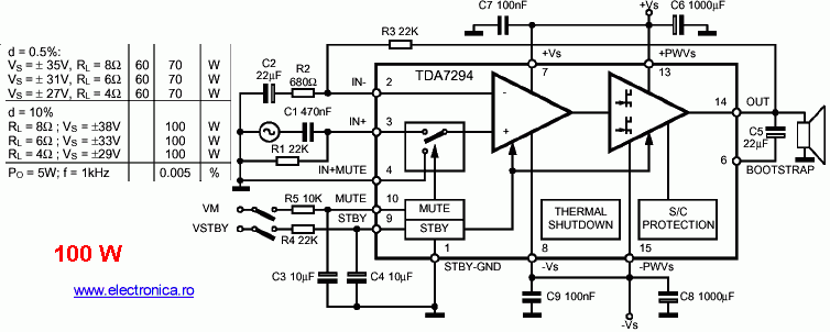
trong bài này mình lấy chip TDA7294 , con này được nhiều người chọn làm, chạy class ab, nghe cũng hay phết
vào google.com.vn nhập TDA7294 vào tìm sẽ thấy kết quả hơi bị nhiều, datasheet cho nó cũng có nhiều , nhưng nhìn chung thì là giống nhau hết, nên chọn datasheet từ nguồn nhà thiết bị sản xuất,
• theo link đưa ở trên thì có hình dưới( nhấn vào linh , chọn chip tda7294)
Bạn hiểu gì về cái hình ?. hiểu đơn giản là nó cho công xuất 70-100w và dùng nguồn đôi từ 27-38v là tốt nhất ( có thể hơn xuống một ít ), các phần bên trong con chip ( trong hình chử nhật) các bạn bỏ qua, nó diển đạt cách sữ lý của nó thôi, mình chú ý bên ngoài, các ký hiệu điện trở và tụ điện , cuôn cảm nữa( cuộn dây đồng)
Bạn cần biết thêm các ký hiệu về tụ, điện trở ,……, bạn có thể tham khảo tại đây nếu chưa rành về tụ điện hoặc ….. : link: Điện Tử Cơ Bản | MachDienTu.Net - Part 2
• tìm các mục kết quả khác thì thấy khác thì có sơ đồ sau






0 nhận xét:
Đăng nhận xét